
“SOILTOP-300型土壤墒情智能监测仪”
———通过权威机构检测认证
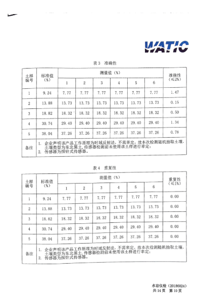
2019年3月,在水利部水文仪器及岩土工程仪器质量监督检验测试中心举行的墒情自动监测仪器产品检测中,“SOILTOP-300型 土壤墒情智能监测仪”一次检测通过,检测报告中关于准确性和重复性检测的描述中明确指出:“企业声明该产品工作原理为时域反射法,不需率定,故本次检测随机抽取土壤,土壤类型为东北黑土,传感器检测前未使用该土样进行率定。”

检测报告中:
企业声明该仪器工作原理为时域反射法,不需率定,故本次检测随机抽取土壤,土壤类型为东北黑土,传感器检测前未使用该土样进行率定。
